LCYO系列气动马达

首页 > 产品展示
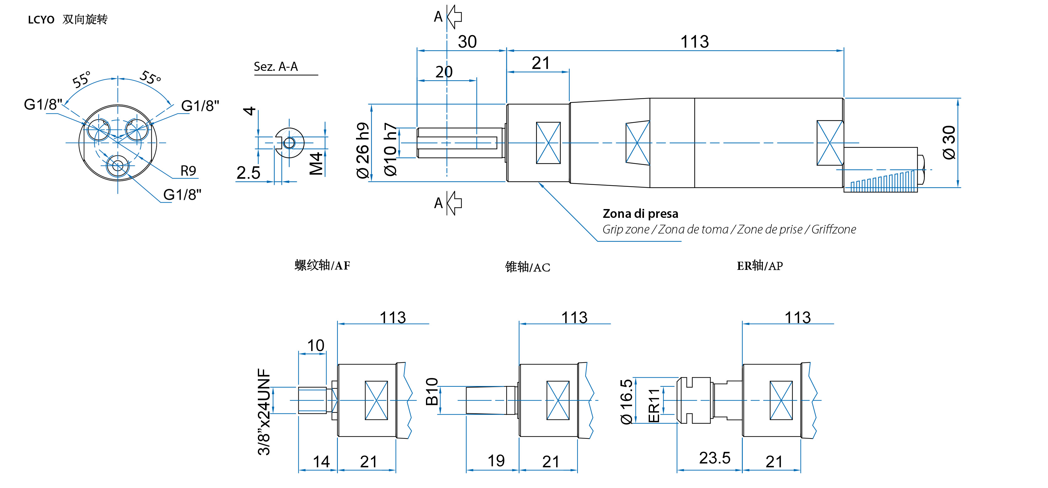
LCYO22R

意大利OBER气动马达有较大的转速范围选择(集成多种速比减速机)、结构紧凑、耐用可靠、防爆设计,特别适用于:作为各种气动旋转动力供应、自动化动作控制、加工、装配类机器。

*气动马达体积小,功率大: 功率/重量或功率/体积的比值相对于电动机大很多

*气动马达具有高适应性: OBER气动马达的转速可随负载改变,直至超载停机而不会对气动马达产生损伤,因此选择时可考虑采用较低的安全系数;

* 气动马达可瞬间启动、瞬间停止: 由惯性/功率的比值决定的时间常数较小,故可快速、平稳地启动、停止、转向;特别适合频繁启动、停机的场合,换向非常容易

* 气动马达调速、控扭方便: 只需调节气动马达进气口的简单调压阀或调速阀,即可获得多种速度变化(或扭矩设置),从零到几万转,操作非常容易;加大空气流量或空气压力时,均可轻易提升气动马达的功率和扭矩输出

* 气动马达结构简单,长久耐用性、可靠性高 :叶片式气动马达包含很少运动部件,只有叶片需承受摩擦,所以气动马达使用寿命特长,只需很少维护;而意大利OBER公司对叶片摩擦问题有四十多年成功的解决经验;OBER还可以提供自润滑的叶片;还提供符合食品级要求的气动马达

*气动马达安全,防爆: 不产生火花、过热、爆炸、短路(气动马达本身或供气)等危险因素,OBER气动马达防爆、不受电气冲击影响,尤其适用于带易燃易爆物质甚至高温的环境,如对溶剂、油漆、化学品等的搅拌

* 工厂具有丰富的气动马达使用经验:大量的OBER气动马达使用在OBER或其客户的机器上,因此OBER公司积累了非常丰富的使用经验、技术、技巧(Know-How),这无论是对不断改进、升级产品,还是对向客户提供专业的服务,都是非常有帮助的.

文件下载  双向旋转 转速 rpm 扭矩 Nm 重量

 型号 订货号 空载满载功率时 满载功率时 堵转 Kg

LCY-NEW

LCYO22R 871123115007201.32.10.35

lcyo11r.jpg

包装机械、旋盖机

食品饮料机械、灌装机

工业组装(拧紧装配机、钻孔机、攻丝机)

气动工具、机床、管道疏通机

易燃易爆环境用的机器:气动搅拌机、风机、坡口机、打包机 等自动化机械。


其他各用途包括:

泵、鼓风机、卷扬机、绞盘车、阀门驱动,

移动平台、

物料处理生产线

输送带

机床的旋转工作平台

矿山机械,船舶机械,木工机械,石油机械等。

lcyo-r.jpg